-
結構簡單
結構簡單緊湊,重量較輕,便于裝拆和維修。
-
啟閉
操作扭距較小,轉90°啟閉輕便迅速。
-
節能
流阻小,流量特性近似傾斜直線,節能效果好。
-
密封好
密封可靠,泄漏為零,使用壽命長。
-
耐腐蝕
不銹鋼+四氟材質,耐腐蝕性更強。
-
-
-
-
產品優點
產品介紹
LT凸耳式不銹鋼襯四氟蝶閥由般德閥門生產并銷售,該產品由四氟密封蝶閥和不銹鋼閥板、閥桿構成,具有良好的耐腐蝕性,使用壽命長。采用對夾式連接,使得該閥門的安裝、拆卸非常方便。整個蝶閥小巧輕便,密封性可靠,抗酸抗腐蝕性強,廣泛應用于石油,化工,冶煉,造紙,環保等領域。
產品參數

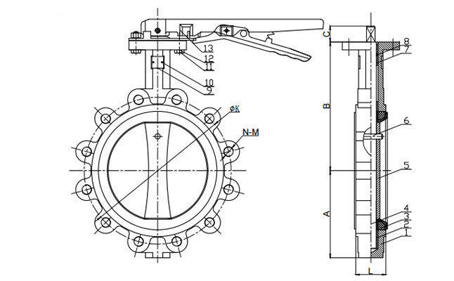
LT凸耳式不銹鋼襯四氟蝶閥參數信息
閥門執行標準 | 名稱 | 設計及制造 | 結構長度 | 側法蘭尺寸 | 上法蘭尺寸 | 試壓標準 | ||
參照標準 | GB/T 12238 | GB/T 12221 | GB/T 9113.1 | ISO 5211 | GB/T 13927-2008 | |||
主要零部件信息 | 名稱 |
閥體 |
閥桿 | 閥座 | 蝶板 | 手柄 | ||
材質 | 不銹鋼 | 304 | PTFE | 304 | DI/AI/304 | |||
尺寸信息 | DN | IN | A | B | C | L | ∅K | N-M |
40 | 1.5” | 70 | 164 | 32 | 33 | 110 | 4-M16 | |
50 | 2” | 80 | 169 | 32 | 43 | 125 | 4-M16 | |
65 | 2-1/2” | 89 | 176 | 32 | 46 | 145 | 4-M16 | |
80 | 3” | 95 | 183 | 32 | 46 | 160 | 8-M16 | |
100 | 4” | 114 | 201 | 32 | 52 | 180 | 8-M16 | |
125 | 5” | 127 | 214 | 32 | 56 | 210 | 8-M16 | |
150 | 6” | 139 | 229 | 32 | 56 | 240 | 8-M20 | |
200 | 8” | 175 | 257 | 45 | 60 | 295 | 8-M20/12-M20 | |
250 | 10” | 203 | 280 | 45 | 68 | 350/355 | 12-M20/12-M24 |
