-
擠壓鋁合金缸體,強度硬度高
缸體為擠壓鋁合金,強度硬度高。采用低摩擦材料制成的滑動軸承,摩擦系數低,轉動靈活,使用壽命長。
-
閥體閥板使用QT450-10材料,性能強
閥體閥板均使用QT450-10材料、球化率3級以上,抗拉強度450Mpa,延展率大于10%,不易拉裂、凍裂。
-
標準EPDM橡膠閥座,性能可靠無泄漏
閥座橡膠使用符合標準的EPDM/PTFE橡膠,蝶閥的回彈性及拉力更穩定可靠,啟閉10000次以上無泄漏。
-
特殊工藝噴涂閥體,36個月不變色
閥體外表采用靜電粉末熱噴噴涂工藝,更加環保、耐候性更高,保證閥體36個月不變色。
-
每臺產品熱縮膜獨立包裝,隔灰又防潮
每臺般德產品均采用熱縮膜獨立包裝,并內置干燥劑,隔離空氣灰塵、利于存放,避免受潮引起的產品銹蝕。
-
產品擁有獨立身份標識,保證可追溯
每一臺般德產品從配件到成品都有其獨立的二維碼標識,保證產品可追溯。
-
智能設備試壓檢測,保證產品合格出廠
每件產品由般德智能檢測設備試壓檢測,并自動生成檢驗報告,每份數據和報告保存5年,保證出廠合格率。
-
雙活塞齒條結構氣動頭,輸出扭矩恒定
氣動頭采用雙活塞齒條式結構,嚙合精確,效率高,輸出扭矩恒定。
-
產品優點
產品介紹
氣動蝶閥D641X-16Q:蝶閥配上氣動執行器,氣動執行器的執行速度相對較快,并且不需要工人親力親為,在很大程度上節約了人力資源以及時間,般德閥門生產的D641X法蘭軟密封氣動蝶閥的主要優點,結構簡單,體積小重量輕,造價低,氣動碟閥該特點尤其顯著,安裝在高空暗道,經過二位五通電磁閥控制操作方便,也可調節流量介質。
產品參數

氣動蝶閥D641X-16Q參數信息
閥門執行標準 | 名稱 | 設計與制造 | 結構長度 | 試壓標準 | 上法蘭尺寸 | 側法蘭尺寸 | ||
參照標準 | GB/T 12238-2008 | GB/T 12221-2008 | GB/T 13927-2008 | ISO 5211 | GB/T 17241.6-2008 | |||
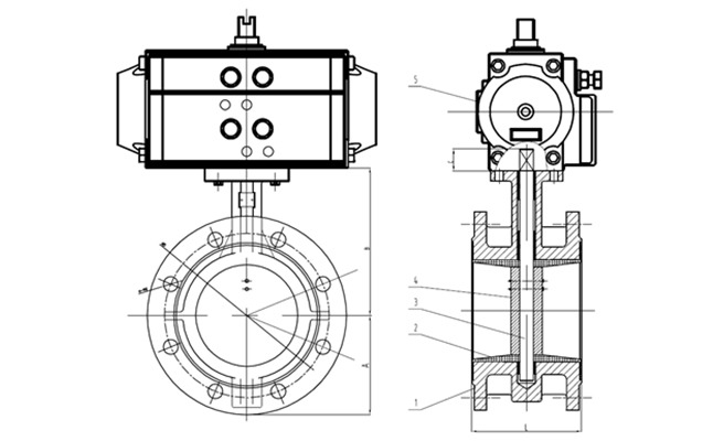
主要零部件信息 | 名稱 | 1-閥體 | 2-閥座 | 3-蝶板 | 4-閥軸 | 5-氣動執行器 | ||
材質 | 球墨鑄鐵DI | 三元乙丙橡膠EPDM | DI | 不銹鋼410 | 組件 | |||
尺寸信息 | DN | NPS(英寸) | A | B | C | L | D | n-φd |
DN50 | 2" | 69.5 | 126.5 | 32 | 108 | 125 | 4-φ19 | |
DN65 | 2.5" | 72 | 136 | 32 | 112 | 145 | 4/8-φ19 | |
DN80 | 3" | 88 | 146 | 32 | 114 | 160 | 8-φ19 | |
DN100 | 4" | 96.5 | 158 | 32 | 127 | 180 | 8-φ19 | |
DN125 | 5" | 115 | 179 | 32 | 140 | 210 | 8-φ19 | |
DN150 | 6" | 126 | 197 | 32 | 140 | 240 | 8-φ23 | |
DN200 | 8" | 161 | 230 | 45 | 152 | 295 | 12-φ23 | |
DN250 | 10" | 199 | 271 | 45 | 165 | 355 | 12-φ28 | |
DN300 | 12" | 215 | 305 | 45 | 178 | 410 | 12-φ28 | |
DN350 | 14" | 261 | 350 | 45 | 190 | 470 | 16-φ28 | |
DN400 | 16" | 290 | 381 | 51 | 216 | 525 | 16-φ31 | |
DN450 | 18" | 307 | 392 | 51 | 222 | 585 | 20-φ31 | |
DN500 | 20" | 340 | 441 | 57 | 229 | 650 | 20-φ34 | |
DN600 | 24" | 396 | 500 | 70 | 267 | 770 | 20-φ37 | |
DN700 | 28" | 496 | 567 | 66 | 292 | 840 | 24-φ37 | |
DN800 | 32" | 543 | 641 | 66 | 318 | 950 | 24-φ40 | |
DN900 | 36" | 584 | 692 | 118 | 330 | 1050 | 28-φ40 | |
DN1000 | 40" | 638 | 735 | 142 | 410 | 1170 | 28-φ43 | |
DN1200 | 44" | 763 | 917 | 150 | 470 | 1390 | 32-φ49 |
