-
閥體采用QT450-10材料
閥體采用QT450-10材料、球化率3 級,機械性能更強,抗拉強度450Mpa,延展率10%以上;
-
精密數控機床加工
閥體和內件采用精密數控機床加工,保證精度;
-
耐腐蝕性高
浮球采用304不銹鋼材質,耐腐蝕性更高;
-
超聲波清洗
每臺閥門包裝前進行超聲波清洗,杜絕污物及顆粒性雜質在閥體內存留,保證閥門清潔度;
-
嚴格的打壓測試
每臺閥門均經過嚴格的打壓測試。
-
-
-
-
產品優點
產品介紹
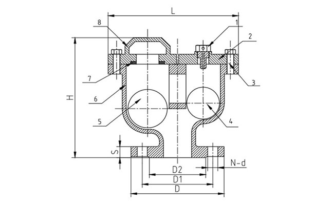
雙口排氣閥QB2-16Q,產品配置:閥體:QT450 浮球:304 密封:EPDM。該產品應用領域包括市政建設、水利工程、給排水、水處理等。
產品參數

執行標準 | 名稱 | 設計及制造 | 連接法蘭尺寸 | 試壓標準 | ||
參照標準 | GB/T 18693-2002 | HG/T 20592-2009 | API 598-2004 | |||
主要零部件信息 | 名稱 | 閥體 | 密封 | 浮球 | ||
材質及說明 | QT450/WCB/CF8 | EPDM/NBR | 201/304/316 | |||
尺寸信息 | DN | NPS(英寸) | H | ΦD | ΦD1 | N-φd |
40 | 1 1/2'' | 250 | 150 | 110 | 4-18 | |
50 | 2'' | 250 | 165 | 125 | 4-18 | |
65 | 2 1/2'' | 260 | 185 | 145 | 8-18 | |
80 | 3'' | 260 | 200 | 160 | 8-18 | |
100 | 4'' | 290 | 220 | 180 | 8-18 | |
125 | 5'' | 350 | 250 | 210 | 8-18 | |
150 | 6'' | 350 | 285 | 240 | 8-22 | |
200 | 8'' | 390 | 340 | 295 | 12-22 | |
250 | 10'' | 520 | 405 | 355 | 12-26 | |
300 | 12'' | 520 | 460 | 410 | 12-26 |
