-
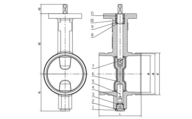
球墨鑄鐵QT450-10閥體
球墨鑄鐵QT450-10材質,球化率3級,抗拉強度450MPa,延展率10%以上,可提供材質報告;
-
高彈性EPDM橡膠閥座
高彈性EPDM橡膠,含膠率50%,拉伸強度16.1MPa,經仿真啟閉實驗1萬次以上無泄漏;
-
無銷閥軸
閥軸由采用無銷設計,易于安裝和拆卸;
-
防吹出設計
閥軸上端設有卡簧槽,防止閥軸使用過程中吹出,提高安全性;
-
閥軸可實現自密封
閥軸密封采用無油軸承與填料結合結構,實現自密封;
-
出廠前試壓檢測
每臺閥門出廠前均按照國家標準進行試壓檢測,確保合格。
-
-
-
產品優點
產品介紹
溝槽蝶閥采用溝槽卡箍接洽和相應的管件安置管路,安裝時只需機械組裝,無須焊接,沒有明火,因此,沒有焊渣混濁管路,對禁火情況條件下的動工,尢為適宜。溝槽式卡箍接洽連結所占空間約為法蘭的70%,并且重量輕、螺栓數目少、安置方便。
產品參數

名稱 | 設計與制造標準 | 試壓標準 | 連接尺寸 | ||
參照標準 | GB 5135.6 | GB 5135.6 | GB 5135.11 | ||
名稱 | 4-閥體 | 6-蝶板 | 7-閥軸 | ||
材質及說明 | QT450 | QT450+EPDM | 2Cr13 | ||
DN | NPS(英寸) | L | φA | φB | φC |
50 | 2'' | 90 | 50 | 57 | 60.3 |
65 | 2 1/2'' | 97 | 61 | 69 | 73 |
80 | 3'' | 97 | 78 | 85 | 88.9 |
100 | 4'' | 116 | 101 | 110 | 114.3 |
125 | 5'' | 134 | 127 | 137 | 141.3 |
150 | 6'' | 134 | 150 | 164 | 168.3 |
200 | 8'' | 148 | 202 | 214.4 | 219.1 |
