-
閥體閥板性能強
閥體/閥板采購QT450-10材料、球化率3級以上、?;?,機械性能完全達標。
-
閥軸傳動扭矩小
閥軸使用自潤滑式套筒軸承作為支撐、可以減少閥軸傳動過程中生產的摩擦、并降低扭矩。
-
實心體閥體
閥體均為實心重體,壁厚滿足GB26640要求,保證承壓強度;
-
數控精密機床加工
閥體及內件均為數控精密機床加工,精度高;
-
多種密封材料可選
可選用不同密封材料,以保證密封面耐磨損,耐沖刷、耐腐蝕,使用壽命長;
-
可輕松更換
采用可更換連接式密封圈,使用標準螺栓安裝在閥板上,可輕松更換;
-
層層質檢,保證產品品質
從毛坯到成品包裝出廠每個環節層層質檢。
-
-
產品優點
產品介紹
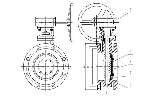
D342X-16Q法蘭雙偏心蝶閥:結構簡單緊湊、重量輕、操作方便,性能可靠,功能齊全,造型美觀大方,便于維修。該閥門采用雙偏心結構,蝶板、閥座密封面加工精度高。蝶板在開啟的瞬間,密封面完全脫離;蝶板在關閉的過程中幾乎無摩擦,關閉輕便。具有越關越緊自鎖功能,自密封性能,密封性能穩定可靠;
雙偏心法蘭蝶閥泛用于冶金、水電、熱電、熱力、城市給排水、農田排灌等行業,適用介質為蒸汽、空氣、水等,在管道系統中,作截斷或連通介質用。
產品參數

D342X-16Q法蘭雙偏心蝶閥參數信息
閥門執行標準 | 名稱 | 設計及制造 | 結構長度 | 試壓標準 | 上法蘭尺寸 | 側法蘭尺寸 | |||
參照標準 | GB/T 12238-2008 | GB/T 12221-2008 | GB/T 13927-2008 | ISO 5211 | GB/T 17241.6-2008 | ||||
主要零部件信息 | 名稱 | 1-閥體 | 2-閥座密封 | 3-蝶板 | 4-閥軸 | 5-渦輪 | |||
材質 | 球墨鑄鐵DI | 三元乙丙橡膠EPDM | 球墨鑄鐵DI | 45# | <DN800單級;≥DN800雙級 | ||||
尺寸信息 | 公稱尺寸 | PN10 | 結構長度 | PN16 | |||||
DN | NPS(英寸) | A | B | C | L | A | B | C | |
50 | 2'' | 165 | 125 | 99 | 108 | 165 | 125 | 99 | |
65 | 2 1/2'' | 185 | 145 | 118 | 112 | 185 | 145 | 118 | |
80 | 3'' | 200 | 160 | 132 | 114 | 200 | 160 | 132 | |
100 | 4'' | 220 | 180 | 156 | 127 | 220 | 180 | 156 | |
125 | 5'' | 250 | 210 | 184 | 140 | 250 | 210 | 184 | |
150 | 6'' | 285 | 240 | 211 | 140 | 285 | 240 | 211 | |
200 | 8'' | 340 | 295 | 266 | 152 | 340 | 295 | 266 | |
250 | 10'' | 395 | 350 | 319 | 165 | 405 | 355 | 319 | |
300 | 12'' | 445 | 400 | 370 | 178 | 460 | 410 | 370 | |
350 | 14'' | 505 | 460 | 429 | 190 | 520 | 470 | 429 | |
400 | 16'' | 565 | 515 | 480 | 216 | 580 | 525 | 480 | |
450 | 18'' | 615 | 565 | 530 | 222 | 640 | 585 | 548 | |
500 | 20'' | 670 | 620 | 582 | 229 | 715 | 650 | 609 | |
600 | 24'' | 780 | 725 | 682 | 267 | 840 | 770 | 720 | |
700 | 28'' | 895 | 840 | 794 | 292 | 910 | 840 | 794 | |
800 | 32'' | 1015 | 950 | 901 | 318 | 1025 | 950 | 901 | |
900 | 36'' | 1115 | 1050 | 1001 | 330 | 1125 | 1050 | 1001 | |
1000 | 40'' | 1230 | 1160 | 1112 | 410 | 1255 | 1170 | 1112 | |
1200 | 48'' | 1455 | 1380 | 1328 | 470 | 1485 | 1390 | 1328 | |
1400 | 56'' | 1675 | 1590 | 1530 | 530 | 1685 | 1590 | 1530 | |
1600 | 64'' | 1915 | 1820 | 1750 | 600 | 1930 | 1820 | 1750 | |
1800 | 72'' | 2115 | 2020 | 1950 | 670 | 2130 | 2020 | 1950 | |
2000 | 80'' | 2325 | 2230 | 2150 | 760 | 2345 | 2230 | 2150 | |
2200 | 88'' | 2550 | 2440 | 2295 | 800 | 2550 | 2440 | 2295 | |
2400 | 96'' | 2760 | 2650 | 2495 | 850 | 2760 | 2650 | 2495 |
