-
球墨鑄鐵法蘭
法蘭采用球墨鑄鐵鑄造,球化率3級
-
阿克蘇環氧樹脂噴涂
法蘭采用國際知名品牌阿克蘇環氧樹脂噴涂
-
進口EPDM橡膠
球體采用進口EPDM橡膠,自已工廠硫化工藝,質量可控,使用壽命長,并有英國WRAS認證
-
球體更耐拉脫
橡膠球兩端面厚度增加10mm且內部增加鋼絲圈,球體更耐拉脫,耐扭曲
-
更抗壓、抗拉
球體內部簾子布數量超國家標準,更抗壓、抗拉
-
-
-
-
產品優點
產品介紹
可曲撓橡膠接頭,簡稱橡膠接頭,是由織物增強的橡膠件與金屬法蘭組成,用于管道隔振降噪、補償位移的接頭。
它是一種高彈性、高氣密性、耐介質性和耐氣候性的管道接頭。通過吸收和傳遞振動,降低管道和機械設備的噪聲和振動,從而提高設備的穩定性和使用壽命。在振動較大的管道中,橡膠接頭能夠有效地降低管道的噪聲和振動,保證管道的穩定性和安全性。
產品參數

名稱 | 設計及制造 | 連接標準 | 結構長度 | 試驗標準 |
參照標準 | GB/T 26121 | GB/T 17241.6 | GB/T 26121 | GB/T 26121 |
名稱 | 法蘭 | 球體 |
材質及說明 | DI | EPDM |
公稱尺寸 | PN16 | 150LB | ||||
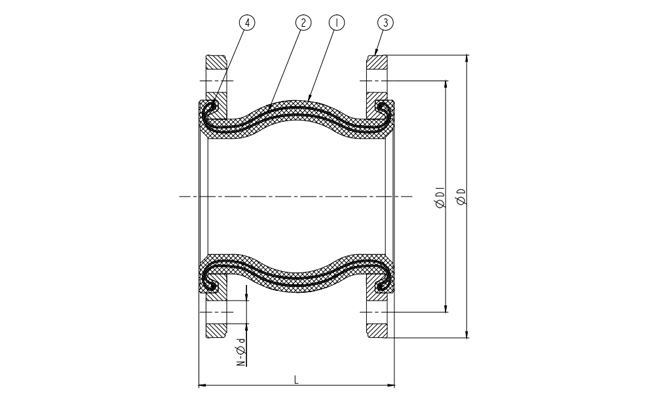
DN | NPS(英寸) | L | D1 | N-Φd | D1 | N-Φd |
50 | 2'' | 105 | 125 | 4-18 | 120.7 | 4-19 |
65 | 2 1/2'' | 115 | 145 | 4-18 | 139.7 | 4-19 |
80 | 3'' | 135 | 160 | 8-18 | 152.4 | 4-19 |
100 | 4'' | 150 | 180 | 8-18 | 190.5 | 8-19 |
125 | 5'' | 165 | 210 | 8-18 | 215.9 | 8-22 |
150 | 6'' | 180 | 240 | 8-23 | 241.3 | 8-22 |
200 | 8'' | 210 | 295 | 12-23 | 298.5 | 8-22 |
250 | 10'' | 230 | 355 | 12-25 | 362 | 12-26 |
300 | 12'' | 250 | 410 | 12-25 | 431.8 | 12-26 |
350 | 14'' | 260 | 470 | 16-25 | 476.3 | 12-29 |
400 | 16'' | 260 | 525 | 16-30 | 539.8 | 16-29 |
450 | 18'' | 260 | 585 | 20-30 | 577.9 | 16-32 |
500 | 20'' | 260 | 650 | 20-34 | 635 | 20-32 |
600 | 24'' | 260 | 770 | 20-41 | 749.3 | 20-35 |
