-
球化率3級
閥體采用球墨鑄鐵鑄造,球化率3級
-
阿克蘇環氧樹脂噴涂
外觀采用國際知名品牌阿克蘇環氧樹脂噴涂
-
英國WRAS認證
膠管采用進口EPDM橡膠,自已工廠硫化工藝,質量可控,使用壽命長,并有英國WRAS認證
-
標準試壓檢測
每臺閥門出廠均按國家標準試壓檢測
-
材質可選
膠管材質及閥體材質可根據客戶不同工況選擇不同材質
-
-
-
-
產品優點
產品介紹
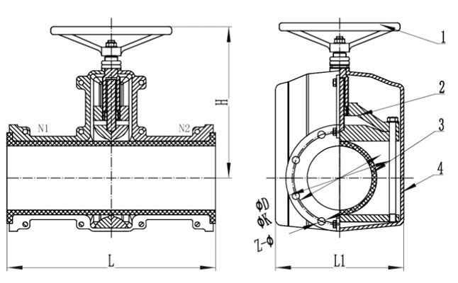
管夾閥是一種通過擠壓柔性管體來實現流體控制的閥門,又稱為夾管閥、氣囊閥、箍斷閥,由上下閥體,橡膠管套、閥桿、壓板等零件組成。當轉動手輪時,使閥桿同時帶動壓板,壓縮管套進行關閉或開啟,廣泛應用于腐蝕性、磨損性或高純度介質的控制。
產品參數

名稱 | 法蘭連接標準 | 結構長度 | 試驗標準 |
參照標準 | GB/T 17241.6 | GB/T 12221 | GB/T 13927 |
名稱 | 閥體 | 膠管 |
材質及說明 | DI | EPDM |
公稱尺寸 | PN10 | ||||||
DN | NPS(英寸) | L | ΦD | ΦK | Z-Φ | L1 | H |
25 | 1'' | 142 | 115 | 85 | 4-14 | 124 | 124 |
32 | 1 1/4'' | 160 | 135 | 100 | 4-18 | 145 | 140 |
40 | 1 1/2'' | 180 | 145 | 110 | 4-18 | 157 | 155 |
50 | 2'' | 210 | 160 | 125 | 4-18 | 160 | 178 |
65 | 2 1/2'' | 250 | 180 | 145 | 4-18 | 199 | 200 |
80 | 3'' | 300 | 195 | 160 | 8-18 | 222 | 225 |
100 | 4'' | 350 | 215 | 180 | 8-18 | 250 | 235 |
125 | 5'' | 430 | 245 | 210 | 8-18 | 318 | 300 |
150 | 6'' | 500 | 280 | 240 | 8-23 | 350 | 330 |
200 | 8'' | 650 | 335 | 295 | 8-23 | 446 | 445 |
250 | 10'' | 800 | 395 | 350 | 12-23 | 516 | 595 |
300 | 12'' | 950 | 445 | 400 | 12-23 | 562 | 655 |
