-
渦輪箱防護等級高
渦輪箱防護等級達到IP65。
-
防護性能可靠
蝸輪箱定期做防塵和防噴淋型式試驗,保證產品防護性能可靠。
-
質保5年
采用鋰基潤滑脂,耐水耐油,不易老化,壽命長(耐高溫150度,低溫-20度),蝸輪頭質保5年。
-
蝸桿綜合力學性能好
蝸桿采用45號鋼調質處理,綜合力學性能好,壽命長。
-
蝸輪調節范圍大
蝸輪調節范圍大,市場上的產品大部分是±5度,般德蝸輪頭是±10度。
-
指示牌強度好 不易變形
指示牌選用不銹鋼材質,剛度好,能夠防止因磕碰和安裝造成的變形。
-
-
-




WLX-30渦輪頭
【產品型號】: 型號:WLX-30
【通 徑】: 傳動比例:30:1
【公稱壓力】: 防護等級:IP65
【適用溫度】: 適用溫度:-20℃~120℃
【適用介質】: 適用介質:淡水、污水、海水、弱酸堿性介質等
【閥體材質】: 閥體材質:HT200
應用領域:
咨詢熱線:
13821179269(微信同號)更新時間:2019-02-22 10:24:55
產品優點
產品介紹
般德WLX防水IP65蝸輪箱30:1產品配置:灰鐵體,DI蝸輪,45蝸桿,45蝸桿,DI手輪。箱體可選配置有CI和DI體。應用于給排水、水處理、水利工程等領域。
產品參數

執行標準 | 名稱 | 設計與制造 | 傳動連接標準 | |||||||
參照標準 | GB/T 4208 | ISO 5211 | ||||||||
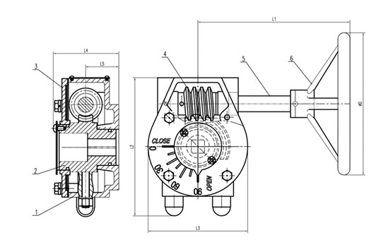
零部件信息 | 名稱 | 1-箱體 | 2-蝸輪 | 3-箱蓋 | 4-蝸桿 | 5-蝸桿軸 | 6-手輪 | |||
材質 | HT200 | QT450-10 | QT450-10 | 45 | 45 | DI | ||||
尺寸信息 | 傳動比例 | 適配的蝶閥公稱尺寸 | 匹配的驅動法蘭代號 | 外形尺寸(24:1) | 外形尺寸(30:1) | 外形尺寸(50:1) | ||||
DN | NPS(英寸) | L1 | 149 | L1 | 206 | L1 | 217 | |||
24:1 | 50 | 2" | F05 | |||||||
65 | 2 1/2" | L2 | 146 | L2 | 210 | L2 | 215 | |||
80 | 3" | |||||||||
100 | 4" | F07 | L3 | 105 | L3 | 153 | L3 | 156 | ||
125 | 5" | |||||||||
150 | 6" | L4 | 70 | L4 | 90 | L4 | 92 | |||
30:1 | 200 | 8" | F010 | |||||||
250 | 10" | L5 | 35 | L5 | 41 | L5 | 49 | |||
50:1 | 300 | 12 | ||||||||
350 | 14 | ΦD | 150 | ΦD | 200 | ΦD | 250 |
