-
可提供試壓報告
所有般德的產品,均可提供出廠試壓報告。
-
球墨鑄鐵實心閥體
QT450-10球鐵閥體、球化率3 級,抗拉強度450Mpa,延展率10%以上。相同厚度情況下,抗拉強度是灰鐵體的2倍,可適用的工作壓力更高。
-
覆膜砂工藝鑄造閥體
口徑,標準,壓力,般德logo等鑄字清晰,美觀大方。
-
高彈性閥座橡膠
閥座橡膠含膠率50%,經仿真啟閉實驗1萬次以上,無泄漏。
-
軟靠背閥座
無須借助專業設備,閥座可手動拆裝。
-
無銷軸板連接結構
蝶板和閥軸采用無銷連接,可以完全避免因裝銷釘引起的泄露和腐蝕。閥軸易拆卸,便于更換閥座。
-
強支撐密封閥軸
閥軸由4道無油軸承支撐,3道O-ring密封,扭矩較低,密封可靠。
-
不銹鋼螺栓
螺栓采用不銹鋼材質,穩定可靠,防銹能力強。
-
圓潤球鐵手柄
手柄采用球鐵材質,比沖壓手柄耐銹蝕能力強33%左右;彈簧,銷子材質均為304,抗腐蝕強,更耐用。半圓形握把兒,無棱角,手感好。
產品優點
產品介紹
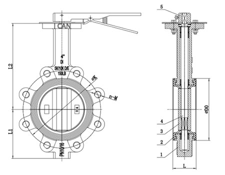
般德凸耳式蝶閥,產品配置對夾LT軟靠背閥體,CF8板,SS420軸,EPDM閥座,球鐵手柄。主要用于給排水、水處理、水利工程等領域。
產品參數

D71X凸耳式蝶閥參數信息
執行標準 | 名稱 | 設計及制造 | 結構長度 | 試壓標準 | 上法蘭尺寸 | 側法蘭尺寸 | ||||||
參照標準 | GB/T 12238 | GB/T 12221 | GB/T 13927 | ISO 5211 | CL150、PN6/10/16、 5/10K、Table D/E |
|||||||
零部件信息 | 名稱 | 1-閥體 | 2-閥座 | 3-蝶板 | 4-閥軸 | 5-手柄 | ||||||
材質 | DI | EPDM | CF8 | 420 | DI | |||||||
尺寸信息 | 公稱尺寸 | L | L1 | L2 | ΦD0 | Class150 | PN 16 | PN 10 | ||||
DN | NPS(英寸) | ΦK | n-M | ΦK | n-M | ΦK | n-M | |||||
50 | 2" | 43 | 79 | 161 | 86 | 120.7 | 4-5/8" | 125 | 4-M16 | 125 | 4-M16 | |
65 | 2 1/2" | 46 | 82 | 175 | 101 | 139.7 | 4-5/8" | 145 | 4-M16 | 145 | 4-M16 | |
80 | 3" | 46 | 95 | 181 | 121 | — | — | 160 | 8-M16 | 160 | 8-M16 | |
100 | 4" | 52 | 114 | 200 | 144 | 190.5 | 4-5/8" | 180 | 8-M16 | 180 | 8-M16 | |
125 | 5" | 56 | 125 | 193 | 171 | 215.9 | 8-3/4" | 210 | 8-M16 | 210 | 8-M16 | |
150 | 6" | 56 | 139 | 209 | 200 | 241.3 | 8-3/4" | 240 | 8-M20 | 240 | 8-M20 |
產品專利

防飛出閥桿專利 CN201822244366.X
般德閥門專利防飛出閥桿結構,能防止因流體介質的壓力太大導致閥桿脫離飛出,增加閥門的安全可靠性。
