-
高彈性閥座橡膠
閥座橡膠含膠率50%,經仿真啟閉實驗1萬次以上,無泄漏。
-
球墨鑄鐵實心閥體
QT450-10球鐵閥體、球化率3 級,抗拉強度450Mpa,延展率10%以上。相同厚度情況下,抗拉強度是灰鐵體的2倍,可適用的工作壓力更高。
-
高彈性閥座橡膠
閥座橡膠含膠率50%,經仿真啟閉實驗1萬次以上,無泄漏。 NBR, EPDM, PTFE,Viton,Hypalon等多種材料可供選擇。
-
阿克蘇環氧塑粉
閥體噴涂采用阿克蘇的環氧樹脂塑粉,附著力強,劃格法0-1級通過;沖擊強度高,50kg?cm正沖通過;耐候性好,戶內戶外均可使用。
-
POF熱縮膜獨立包裝
DN200以下口徑采用POF熱縮膜膜獨立包裝,DN250以上采用氣泡袋或纏繞膜包裝,內置干燥劑,防潮、防淋、隔灰塵。
-
圓潤球鐵手柄
手柄采用球鐵材質,比沖壓手柄耐銹蝕能力強33%左右;彈簧,銷子材質均為304,抗腐蝕強,更耐用。半圓形握把兒,無棱角,手感好。
-
304不銹鋼標牌
304標牌,激光刻標,字跡清晰,存留時間長。不銹鋼鉚釘固定,外觀美觀,連接牢靠。
-
產品可追溯
每一臺般德產品都有專屬的ID編號。
-
可提供試壓報告
所有般德的產品,均可提供出廠試壓報告。
產品優點
產品介紹
般德閥門生產的DN50手柄蝶閥由EPDM閥座和球墨鑄鐵蝶板、球墨鑄鐵閥體、不銹鋼閥桿構成。更耐腐蝕,耐腐蝕度是普通產品的10倍。該蝶閥結構簡單,性能好,拆裝方便快捷,使用廣泛。
產品參數

DN50手柄蝶閥規格尺寸
執行標準 | 名稱 | 設計及制造 | 結構長度 | 試壓標準 | 上法蘭尺寸 | 側法蘭尺寸 | |||||||||
參照標準 | GB/T 12238-2008 | GB/T 12221-2008 | GB/T 13927-2008 | ISO 5211 | CLASS150/PN6/PN10/PN16/ 5K/10K/TABLE D/TABLE E |
||||||||||
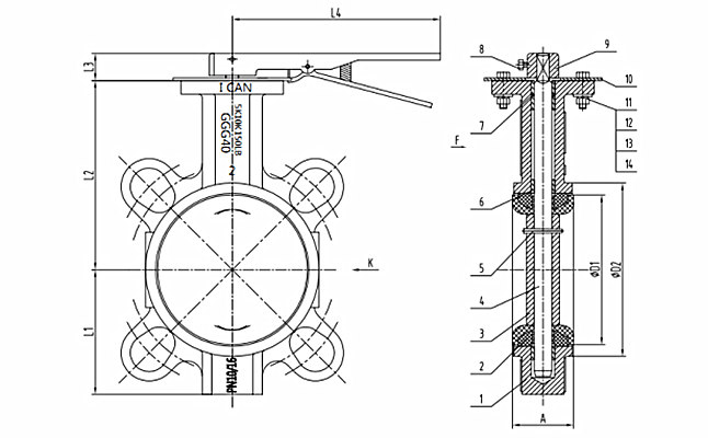
零部件信息 | 名稱 | 1-閥體 | 2-閥座 | 3-蝶板 | 4-閥軸 | 5-圓錐銷 | 6-襯套 | 7-O型圈 | 8-六角螺栓 | 9-手柄 | 10-齒盤 | 11-六角螺栓 | 12-彈簧墊片 | 13-螺母 | 14-平墊 |
材質 | DI | EPDM | 304 | 304 | 304 | 高分子復合材料 | NBR | SS304 | KT300 | Q235鍍鋅 | SS304 | SS304 | SS304 | SS304 | |
尺寸信息 | DN | NPS(英寸) | A | D1 | D2 | L1 | L2 | L3 | L4 | B | 上法蘭 | ||||
DN50 | 2" | 43 | 73.3 | 92.3 | 75 | 129 | 24 | 220 | 9 | F05 | |||||
DN65 | 2.5" | 46 | 86 | 107 | 82 | 136 | 24 | 220 | 9 | F05 | |||||
DN80 | 3" | 46 | 100.9 | 122 | 99 | 153 | 24 | 220 | 9 | F05 | |||||
DN100 | 4" | 52 | 132 | 153 | 110 | 167 | 24 | 250 | 11 | F07 | |||||
DN125 | 5" | 56 | 156 | 179 | 125 | 193 | 24 | 250 | 14 | F07 | |||||
DN150 | 6" | 56 | 185.4 | 208.4 | 145 | 209 | 24 | 302 | 14 | F07 | |||||
DN200 | 8" | 60 | 235.2 | 262.3 | 170 | 251 | 30 | 360 | 17 | F10 |
產品專利

新型蝶閥閥體專利 CN201520267217.9
般德閥門專利閥體,蝶閥閥體能適用于主要工業國家對管道側法蘭的規定安裝,增加了蝶閥的適用范圍。

蝶閥外觀專利 CN201830771212.9
采用般德閥門專利閥體外觀。
