-
材質達標
閥體全部為精密鑄造閥體,材質達標、外觀精細,每批鑄件都有爐號標志,方便生產跟蹤;
-
耐磨耐用
浮球和過濾網采用不銹鋼304材質,耐磨耐用;
-
穩定靈活
運行穩定,靈活性好;
-
試壓檢測
每臺閥門出廠前均按照國家標準試壓檢測,不合格絕不出廠;
-
外觀美觀
外觀采用環氧樹脂靜電噴涂,美觀耐用。
-
-
-
-
產品優點
產品介紹
自由浮球式疏水閥利用浮力原理,浮球根據凝結水量的多少隨水位的變化而作升降,自動調節閥座孔的開度,連續排放凝結水,能將蒸汽管網及供熱設備中的凝結水及時排出,并阻止蒸汽泄漏;廣泛用于化工、石油、輕紡、造紙等工況領域。
產品參數

相關產品
可選配置 | 閥體 | 閥座 | 浮球 | 過濾網 | 壓力 |
鑄鋼/不銹鋼 | 不銹鋼 | 不銹鋼 | 不銹鋼 | PN16/25/40 |
名稱 | 設計及制造 | 法蘭標準 | 試驗標準 |
參照標準 | GB/T 22654 | JB/T 79.1 | GB/T 12251 |
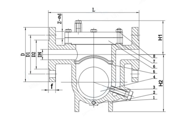
名稱 | 2-閥體 | 3-閥座 | 4-浮球 | 5-過濾網 |
材質及說明 | WCB | 13Cr | 304 | 304 |
DN | NPS(英寸) | L | D | D1 | D2 | Z-φd |
15 | 1/2'' | 195 | 95 | 65 | 45 | 4-14 |
20 | 3/4'' | 195 | 105 | 75 | 55 | 4-14 |
25 | 1'' | 215 | 115 | 85 | 65 | 4-14 |
32 | 1 1/4'' | 270 | 135 | 100 | 78 | 4-18 |
40 | 1 1/2'' | 280 | 145 | 110 | 85 | 4-18 |
50 | 2'' | 290 | 160 | 125 | 100 | 4-18 |
65 | 2 1/2'' | 410 | 180 | 145 | 120 | 4-18 |
80 | 3'' | 430 | 195 | 160 | 135 | 8-18 |
100 | 4'' | 430 | 215 | 180 | 155 | 8-18 |
125 | 5'' | 480 | 245 | 210 | 185 | 8-18 |
150 | 6'' | 480 | 280 | 240 | 210 | 8-23 |
200 | 8'' | 570 | 335 | 295 | 265 | 12-23 |
