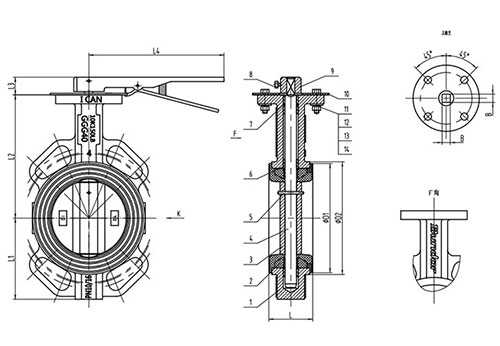
蝶閥技術參數
發布時間:2020-02-25 15:25:46
蝶閥是指關閉件為圓盤,圍繞閥軸旋轉來達到開啟與關閉的一種閥,在管道上主要起切斷和節流作用。蝶閥啟閉件是一個圓盤形的蝶板,在閥體內繞其自身的軸線旋轉,從而達到啟閉或調節的目的。與氣動、電動或液動配套使用,實現控制自動化。蝶閥因其體小、重量輕、操作方便等特點,使用范圍非常廣泛。
蝶閥特點:
1.流通能力大,可調比例,壓降??;
2.流路簡單,流阻小,可用于大口徑、大流量、低壓差的應用場合,適用于漿料懸浮物和顆粒介質的流體控制;
3.可以采用軟密封方法,實現嚴密的密封;
4.大口徑蝶閥,為獲得大輸出推力矩,可采用長行程執行機構或活塞式執行機構;
5.體積小,重量輕,結構緊湊、制造工藝簡單,價格低。
蝶閥技術參數
執行標準 | 名稱 | 設計及制造 | 結構長度 | 試壓標準 | ||
參照標準 | GB/T 12238 | GB/T 12221 | GB/T 13927 | |||
零部件信息 | 序號 | 1 | 2 | 3 | 4 | 5 |
名稱 | 閥體 | 閥座 | 蝶板 | 閥軸 | 圓錐銷 | |
材質及說明 | DI | ([EPDM]/NBR) | DI/CF8/CF8M | 304/316 | 304/316 | |
尺寸信息 | DN | L | D1 | D2 | L1 | |
2″ | DN50 | 43 | 86 | 92.3 | 75 | |
2.5″ | DN65 | 46 | 101 | 107 | 82 | |
3″ | DN80 | 46 | 116 | 122 | 99 | |
4″ | DN100 | 52 | 148 | 153 | 110 | |
5″ | DN125 | 56 | 174 | 179 | 125 | |
6″ | DN150 | 56 | 204 | 208.4 | 145 | |
8″ | DN200 | 60 | 252 | 262.3 | 170 |
以上為般德手柄對夾蝶閥技術參數信息,僅供參考,不同蝶閥技術參數也不同,如果您需要相關信息,聯系般德閥門客服。