-
材質達標
材料選用優良鍛造鋼,化學成分和力學性能符合國家標準,可提供材質報告
-
防靜電
閥桿防吹出設計,閥門防靜電結構
-
閥桿機械性能達標
閥桿材質的化學成分和粗糙度達到國標要求,表面進行抗蝕性氮化或調質處理,保證閥桿機械性能
-
零配件可以互換
尺寸公差符合國標GB/T1800-1800.3標準要求,零配件可以互換
-
內腔清潔度達標
整機裝配前,用煤油和防銹油經過高壓噴射清洗,試壓后清除試驗介質,噴涂防銹油,內腔清潔度達到JB/T7748標準
-
雙層檢測
每臺閥門出廠均按照國家標準做殼體、密封雙層壓力檢測
-
-
-
產品優點
產品介紹
鍛鋼球閥靠旋轉閥桿工作,采用鍛鋼材質制造,具有很高的強度和承壓能力,材質多樣適應不同環境,具有耐高壓、耐腐蝕、耐高溫等特點,結構簡單操作輕便,廣泛應用于石油、化工、天然氣等多行業。
產品參數

名稱 | 設計及制造 | 連接標準 | 結構長度 | 試壓標準 |
參照標準 | API 608 | ASME B16.11 ASME B1.20.1 |
ASME B16.10 | API 598 |
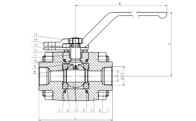
名稱 | 1-閥體 | 2-閥座 | 3-球體 | 9-閥桿 |
材質及說明 | A105 | PTFE | F304 | 2Cr13 |
DN | NPS(英寸) | L | D | H |
15 | 1/2'' | 92 | 13 | 66 |
20 | 3/4'' | 112 | 19 | 72 |
25 | 1'' | 126 | 24 | 100 |
32 | 1 1/4'' | 129 | 30 | 105 |
40 | 1 1/2'' | 152 | 38 | 112 |
50 | 2'' | 176 | 49 | 122 |
