-
閥體抗拉強度大
閥體球化率3級,抗拉強度450Mpa,延展率大于10%
-
實心重體閥體
閥體實心重體,壁厚達標
-
球體包膠EPDM
球體包膠EPDM,橡膠含量達標,保材質
-
不銹鋼螺栓
采用不銹鋼螺栓,強度高,耐腐性強
-
出廠嚴格檢測
每臺閥門出廠均按照標準做殼體、密封雙層壓力檢測
-
-
-
-
產品優點
產品介紹
般德HQ41X球型止回閥產品配置:法蘭連接,DI體,DI蓋,球:碳鋼/球鐵+EPDM;該產品應用領域有市政建設、水利工程、給排水、水處理等。
產品參數

執行標準 | 名稱 | 設計制造 | 結構長度 | 檢驗試壓標準 | 法蘭連接 | |
參照標準 | AWWA C508 | ASME B16.10 | AWWA C508 | AWWA C508 | ||
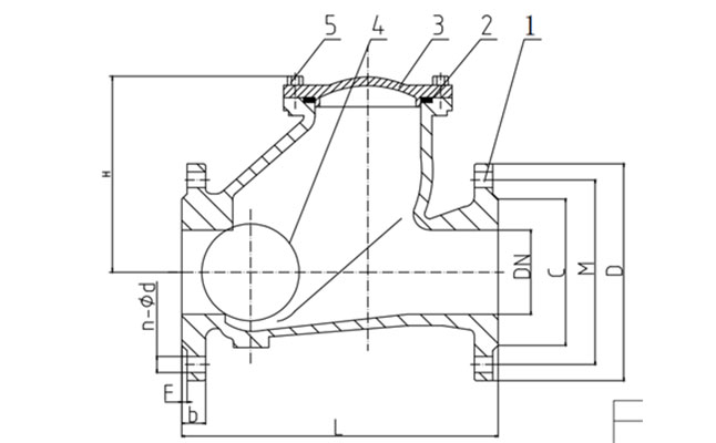
主要零部件信息 | 名稱 | 1-閥體 | 2-墊圈 | 3-閥蓋 | 4-球 | 5-螺栓 |
材質及說明 | DI | NBR | DI | 2-6″碳鋼+EPDM 8-16″球鐵+EPDM |
不銹鋼 | |
尺寸信息 | 公稱尺寸 | |||||
DN | NPS(英寸) | L | D | M | n-d | |
50 | 2'' | 203 | 152 | 120.5 | 4-19 | |
65 | 2 1/2'' | 216 | 178 | 139.5 | 4-19 | |
80 | 3'' | 241 | 191 | 152.5 | 4-19 | |
100 | 4'' | 292 | 229 | 190.5 | 8-19 | |
150 | 6'' | 356 | 279 | 241.5 | 8-22 | |
200 | 8'' | 495 | 343 | 298.5 | 8-22 | |
250 | 10'' | 622 | 406 | 362 | 12-25 | |
300 | 12'' | 698 | 483 | 432 | 12-25 | |
350 | 14'' | 787 | 533 | 476 | 12-29 | |
400 | 16'' | 914 | 597 | 539.5 | 16-29 |
