-
零部件精度有保障
所有零部件均采用精密數控機床加工,確保產品精度;
-
緩閉系統性能優良
緩閉系統性能優良,不受管道中介質的影響,閥瓣先速關后緩閉,可防止破壞性水錘;
-
零部件可根據工況選配材質
有橡膠軟密封及不銹鋼硬密封可選,啟閉平穩,無振動,無噪音,閥板及其他零部件也可根據工況選配材質;
-
閥軸摩擦小
閥軸采用自潤滑式套筒軸承支撐,減少摩擦和扭矩;
-
阿克蘇環氧樹脂噴涂
采用世界品牌阿克蘇環氧樹脂噴涂,噴涂厚度達250um;
-
出廠前嚴格試壓
每臺閥門出廠必須按照國家標準試壓,不合格產品絕不出廠。
-
-
-
產品優點
產品介紹
蝶式緩閉止回閥主要用于工業供水、污水處理廠的水泵出口處,防止管網中介質逆流,自動消除破壞性水錘,從而保證水泵和管路不受損壞。該閥門具有體積小、結構簡單、流體阻力小、運行平穩、緩沖性能好等特點,特別適合大口徑管路系統。
產品參數

執行標準 | 名稱 | 設計及制造 | 結構長標準 | 法蘭連接標準 | 試壓標準 |
參照標準 | GB/T 12238 | GB/T 12221 | GB/T 17241.6 | GB/T 13927 | |
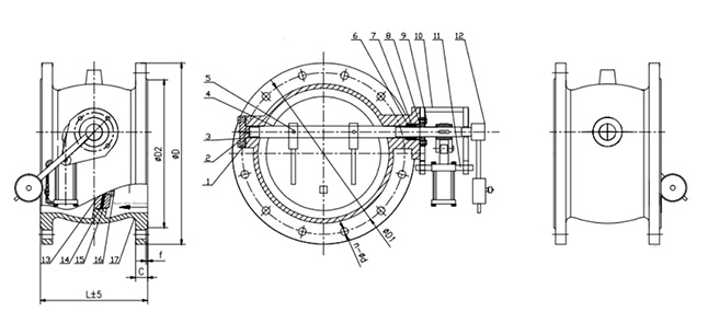
主要零部件信息 | 名稱 | 17-閥體 | 13-閥板 | 4-閥軸 | 14-密封 |
材質及說明 | QT450-10 | QT450-10 | 2Cr13 | EPDM | |
尺寸信息 | 公稱尺寸 | PN10 | |||
DN | NPT | L | D1 | n-d | |
100 | 4'' | 190 | 180 | 8-φ19 | |
125 | 5'' | 200 | 210 | 8-φ19 | |
150 | 6'' | 210 | 240 | 8-φ23 | |
200 | 8'' | 230 | 295 | 8-φ23 | |
250 | 10'' | 250 | 350 | 12-φ23 | |
300 | 12'' | 270 | 400 | 12-φ23 | |
350 | 14'' | 290 | 460 | 16-φ23 | |
400 | 16'' | 310 | 515 | 16-φ28 | |
450 | 18'' | 330 | 565 | 20-φ28 | |
500 | 20'' | 350 | 620 | 20-φ28 | |
600 | 24'' | 390 | 725 | 20-φ31 | |
700 | 28'' | 430 | 840 | 24-φ31 | |
800 | 32'' | 470 | 950 | 24-φ34 | |
900 | 36'' | 510 | 1050 | 28-φ34 | |
1000 | 40'' | 550 | 1160 | 28-φ37 | |
1200 | 48'' | 630 | 1380 | 32-φ40 | |
1400 | 56'' | 710 | 1590 | 36-φ43 | |
1600 | 64'' | 790 | 1820 | 40-φ49 | |
1800 | 72'' | 870 | 2020 | 44-φ49 | |
2000 | 80'' | 950 | 2230 | 48-φ49 |
