-
精密鑄造閥體
閥體為精密鑄造閥體,材質WCB達標、外觀精細,無沙眼
-
外觀平整美觀
內件數控機床加工,外觀加工后進行2次拋丸,外觀平整美觀
-
閥座更耐磨
閥座堆焊cr系不銹鋼,增加閥座耐磨性
-
雙層壓力檢測
每臺閥門出廠均按照國家標準做殼體、密封雙層壓力檢測
-
環氧樹脂噴涂
采用環氧樹脂噴涂,噴涂厚度達到250μm
-
-
-
-
產品優點
產品介紹
立式止回閥是閥瓣沿著閥體垂直升降的止回閥,當介質順流時,閥瓣靠介質推力開啟,當介質停流時,閥瓣降落在閥座上,起阻止介質逆流作用,立式止回閥應安裝于垂直管路上;廣泛適用于水處理、石油、化工、火力電站等各種工況的管路上,主要作用是防止介質倒流、防止泵及其驅動電機機反轉。
產品參數

名稱 | 設計及制造 | 結構長度 | 試壓標準 | 法蘭標準 |
參照標準 | GB/T 12235 | GB/T 12221 | GB/T 26480 | JB/T 79.1 |
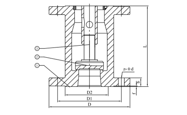
名稱 | 1-閥體 | 2-閥瓣 | 3-閥桿 |
材質及說明 | WCB | A105+13Cr | 2Cr13 |
DN | NPS(英寸) | L | D | D1 | D2 | Z-φd |
32 | 1 1/4'' | 120 | 135 | 100 | 78 | 4-18 |
40 | 1 1/2'' | 150 | 145 | 110 | 85 | 4-18 |
50 | 2'' | 170 | 160 | 125 | 100 | 4-18 |
65 | 2 1/2'' | 180 | 180 | 145 | 120 | 4-18 |
80 | 3'' | 200 | 195 | 160 | 135 | 8-18 |
100 | 4'' | 210 | 215 | 180 | 155 | 8-18 |
125 | 5'' | 270 | 245 | 210 | 185 | 8-18 |
150 | 6'' | 300 | 280 | 240 | 210 | 8-23 |
200 | 8'' | 380 | 335 | 295 | 265 | 12-23 |
250 | 10'' | 400 | 405 | 355 | 320 | 12-26 |
300 | 12'' | 420 | 460 | 410 | 375 | 12-26 |
350 | 14'' | 480 | 520 | 470 | 435 | 16-26 |
400 | 16'' | 540 | 580 | 525 | 485 | 16-30 |
