-
精密鑄造
閥體為精密鑄造閥體,材質WCB達標、外觀精細,無沙眼
-
外觀美觀
內件數控機床加工,外觀加工后進行2次拋丸,外觀美觀
-
實心重體
閥體均為實心重體
-
閥座耐磨
閥座堆焊cr系不銹鋼,增加閥座耐磨性
-
倒密封處理
閥蓋和閥桿接觸的地方做倒密封處理,防止外漏
-
旋風銑加工
閥桿采用旋風銑加工,避免閥桿彎曲導致開關困難
-
雙層壓力檢測
每臺閥門出廠均按照國家標準做殼體、密封雙層壓力檢測
-
-
產品優點
產品介紹
截止閥屬于強制密封式閥門,在閥門關閉時,必須向閥瓣施加壓力,以強制密封面不泄漏;截止閥開啟時,閥瓣的開啟高度,為公稱直徑的25%~30%時,流量已達到最大,表示閥門已達全開位置,所以工作行程小,啟閉時間短;截止閥密封性好,可適用高壓管路,密封面間磨擦力小,使用壽命較長。
產品參數

名稱 | 設計及制造 | 結構長度 | 試壓標準 | 連接法蘭尺寸 |
參照標準 | BS EN13709 | ASME B16.10 | API 598 | ASME B16.5 |
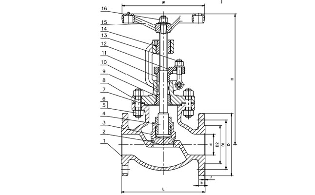
名稱 | 1-閥體 | 3-閥板 | 4-閥桿 | 2-閥座密封 |
材質及說明 | WCB | A105+13Cr | F6a | 13Cr |
DN | NPS(英寸) | L | D | D1 | Z-φd |
50 | 2'' | 203 | 152 | 120.5 | 4-19 |
65 | 2 1/2'' | 216 | 178 | 139.5 | 4-19 |
80 | 3'' | 241 | 190 | 152.5 | 4-19 |
100 | 4'' | 292 | 229 | 190.5 | 8-19 |
125 | 5'' | 356 | 254 | 216 | 8-22 |
150 | 6'' | 406 | 279 | 241.5 | 8-22 |
200 | 8'' | 495 | 343 | 298.5 | 8-22 |
250 | 10'' | 622 | 406 | 362 | 12-25 |
300 | 12'' | 698 | 483 | 432 | 12-25 |
