-
閥體
閥體為精密鑄造閥體,二次拋丸處理、外觀精細,材質達標
-
內件
內件數控精密設備加工,保證精度
-
閥桿
閥桿防吹出設計
-
密封
可根據溫度不同選擇軟密封和高溫硬密封
-
噴涂
采用世界知名品牌阿克蘇環氧樹脂噴涂,噴涂厚度達到250μm
-
檢測
每臺閥門出廠均按照國家標準做殼體、密封雙層壓力檢測
-
-
-
產品優點
產品介紹
一體式球閥又叫整體式球閥、高溫球閥,是球閥升級換代的新產品,密封采用耐高溫、耐磨、耐腐蝕、回彈性強、潤滑性好的新型密封材料為閥座,使用壽命比一般球閥提高3-5倍,具有性能穩定、密封可靠、磨擦力小、開關輕便、耐高溫、耐磨、耐油、耐腐蝕、使用壽命長等優點。一體式球閥與截止閥、柱塞閥、排污閥結構長度相似,擴大了球閥使用范圍,廣泛用于石油、化工、造紙、制藥等行業。
產品參數

名稱 | 設計及制造 | 結構長度 | 試壓標準 | 法蘭標準 |
參照標準 | GB/T 12237 | GB/T 12221 | GB/T 13927 | JB/T 79 |
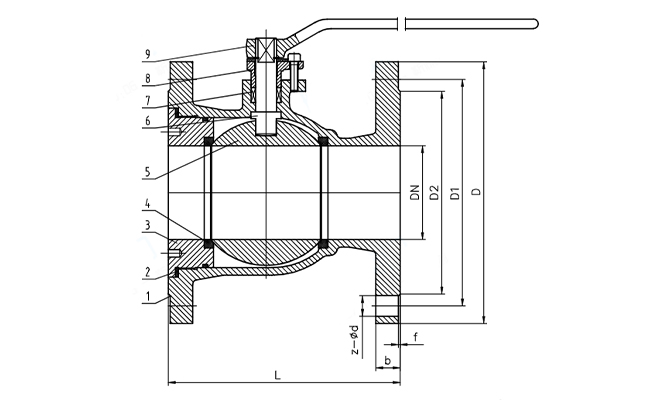
名稱 | 1-閥體 | 4-閥座 | 5-球體 | 6-閥桿 | 9-手柄 |
材質及說明 | WCB/CF8/CF8M | PTFE/PPL/碳結石墨 | 201/304/316 | 2Cr13/304/316 | 碳鋼/不銹鋼 |
DN | NPS | L | ΦD | ΦD1 | ΦD2 | n-Φd |
15 | 1/2'' | 130 | 95 | 65 | 45 | 4-14 |
20 | 3/4'' | 150 | 105 | 75 | 55 | 4-14 |
25 | 1'' | 160 | 115 | 85 | 65 | 4-14 |
32 | 1 1/4'' | 180 | 135 | 100 | 78 | 4-18 |
40 | 1 1/2'' | 200 | 145 | 110 | 85 | 4-18 |
50 | 2'' | 230 | 160 | 125 | 100 | 4-18 |
65 | 2 1/2'' | 290 | 180 | 145 | 120 | 4-18 |
80 | 3'' | 310 | 195 | 160 | 135 | 8-18 |
100 | 4'' | 350 | 215 | 180 | 155 | 8-18 |
