-
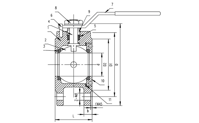
閥體
閥體為精密鑄造閥體,二次拋丸處理、外觀精細
-
內件
內件采用精密數控機床加工,保證精度
-
閥桿
閥桿防吹出設計
-
密封
雙碟形彈簧動負載設計,密封更可靠
-
配置可選
有防靜電裝置、帶鎖手柄、ISO5211高平臺配置可選
-
雙層檢測
每臺閥門出廠均按照國家標準做殼體、密封雙層壓力檢測
-
-
-
產品優點
產品介紹
對夾式球閥又叫意大利球閥,比法蘭球閥結構簡單、體積小、重量輕,只由少數幾個零件組成。球閥是只需旋轉90°即可快速啟閉,操作簡單,同時該閥門具有良好的流體控制特性。密封可靠,結構簡單,維修方便,在各行業得到廣泛的應用。
產品參數

名稱 | 設計及制造 | 試壓標準 | 法蘭標準 |
參照標準 | GB/T 12237 ASME B16.34 |
GB/T 13927 API 598 |
GB/T 9113 ASME B16.5 |
名稱 | 1-閥體 | 2-球體 | 3-閥座密封 | 4-閥桿 |
材質及說明 | CF8 | 304 | PTFE | 304 |
SIZE | PN16 | ||||
DN | NPS | L | ΦD | ΦD1 | Z-Φd1 |
15 | 1/2'' | 32 | 95 | 65 | 4-M12 |
20 | 3/4'' | 39 | 105 | 75 | 4-M12 |
25 | 1'' | 45 | 115 | 85 | 4-M12 |
32 | 1 1/4'' | 55 | 140 | 100 | 4-M16 |
40 | 1 1/2'' | 62 | 150 | 110 | 4-M16 |
50 | 2'' | 72 | 165 | 125 | 4-M16 |
65 | 2 1/2'' | 95 | 185 | 145 | 4-M16 |
80 | 3'' | 120 | 200 | 160 | 8-M16 |
100 | 4'' | 145 | 220 | 180 | 8-M16 |
125 | 5'' | 180 | 250 | 210 | 8-M16 |
150 | 6'' | 230 | 285 | 240 | 8-M20 |
200 | 8'' | 275 | 340 | 295 | 12-M20 |
