-
外觀精細
閥體為精密鑄造閥體,二次拋丸處理、外觀精細,材質達標
-
外觀精細
內件數控精密設備加工,保證精度
-
球體耐磨
球體堆焊硬質合金,增強耐磨性
-
閥座可選
閥座可以根據工況選擇四氟軟密封或金屬硬密封
-
粉沫涂裝
閥體采用粉沫環氧樹脂靜電涂裝,噴涂厚度達到250μm,有效防止閥體與介質接觸造成的腐蝕與生銹
-
粉沫涂裝
每臺閥門出廠均按照國家標準做殼體、密封雙層壓力檢測
-
-
-
產品優點
產品介紹
偏心半球閥是一種比較新型的球閥類別,它有著自身結構所獨有的一些優越性,如開關無摩擦,密封不易磨損,啟閉力矩小。這樣可減小所配執行器的規格,可實現對介質的調節和嚴密切斷。廣泛適用于石油、化工、城市給排水等要求嚴格切斷的工況。
產品參數

其他可選配置 | 名稱 | 閥體 | 閥座密封 | 球體 | 閥桿 | 驅動 |
材質及說明 | WCB/CF3M/CF8/ CF8M | 13Cr/鎳合金/司太立合金/PTFE | 201/304/氮化/鍍鉻 | 2Cr13/304/316/316L | 手動/蝸輪/氣動/電動 |
名稱 | 設計及制造 | 結構長度 | 試壓標準 | 法蘭標準 |
參照標準 | GB/T 26146 | GB/T 12221 | GB/T 13927 | GB/T 9113 |
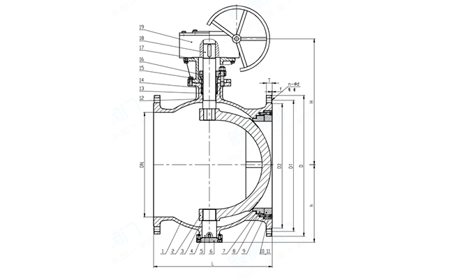
名稱 | 1-閥體 | 2-球體 | 8-閥座 | 18-閥桿 |
材質及說明 | WCB | WCB+堆焊合金 | A105 | 2Cr13 |
DN | NPS | L | ΦD | ΦD1 | ΦD2 | n-Φd |
50 | 2'' | 178 | 165 | 125 | 102 | 4-18 |
65 | 2 1/2'' | 190 | 185 | 145 | 122 | 4-18 |
80 | 3'' | 203 | 200 | 160 | 138 | 8-18 |
100 | 4'' | 229 | 220 | 180 | 158 | 8-18 |
125 | 5'' | 254 | 250 | 210 | 188 | 8-18 |
150 | 6'' | 267 | 285 | 240 | 212 | 8-22 |
200 | 8'' | 292 | 340 | 295 | 268 | 12-22 |
250 | 10'' | 330 | 405 | 355 | 320 | 12-26 |
300 | 12'' | 356 | 460 | 410 | 378 | 12-26 |
350 | 14'' | 450 | 520 | 470 | 438 | 16-26 |
400 | 16'' | 530 | 580 | 525 | 490 | 16-30 |
450 | 18'' | 580 | 640 | 585 | 550 | 20-30 |
500 | 20'' | 660 | 715 | 650 | 610 | 20-33 |
600 | 24'' | 680 | 840 | 770 | 725 | 20-36 |
700 | 28'' | 900 | 910 | 840 | 795 | 24-36 |
800 | 32'' | 1000 | 1025 | 950 | 900 | 24-39 |
900 | 36'' | 1100 | 1125 | 1050 | 1000 | 28-39 |
1000 | 40'' | 1200 | 1255 | 1170 | 1115 | 28-42 |
