-
精密鑄造
閥體為精密鑄造閥體,二次拋丸處理、外觀精細,材質達標
-
精密加工
內件數控精密設備加工,保證精度
-
閥桿防吹出
閥桿防吹出設計,防止閥門關閉時因內部壓力過高而將閥桿吹出,提高閥門的可靠性、穩定性和安全性
-
閥座達到防火要求
閥座采用軟硬雙重密封設計,到達防火要求;球閥中口法蘭和閥桿密封設計也均符合防火要求
-
閥桿防靜電
閥桿加裝防靜電裝置設計
-
球體不銹鋼
球體采用304不銹鋼材質
-
出廠雙重檢測
每臺閥門出廠均按照國家標準做殼體、密封雙重壓力檢測
-
-
產品優點
產品介紹
防火防靜電球閥可用于天然氣、石油化工、液化氣、城市燃氣等管道,具有防靜電、防火裝置,即在球體與閥桿、閥桿與閥體之間設置導電彈簧,使閥門在開啟過程中產生的靜電能通過所設置的靜電通道傳入管路導入地下,達到清除靜電的目的。而防火裝置,即球閥設計有兩重密封,當軟密封墊因高溫熔化后,閥芯球體再次與軟密封后面設計成直角的硬密封,再次形成密封關系。從而確保系統安全。
產品參數

其他可選配置 | 名稱 | 閥體 | 密封 | 球體 | 閥桿 | 驅動 | 壓力 |
材質及說明 | WCB/CF3M/CF8/ CF8M | PTFE/RPTFE | 201/304/316 | 2Cr13/304/316 | 手動/蝸輪/氣動/電動 | PN10-PN100 150LB-600LB |
其他可選配置 | 名稱 | 閥體 | 密封 | 球體 | 閥桿 | 驅動 | 壓力 |
材質及說明 | WCB/CF3M/CF8/ CF8M | PTFE/RPTFE | 201/304/316 | 2Cr13/304/316 | 手動/蝸輪/氣動/電動 | PN10-PN100 150LB-600LB |
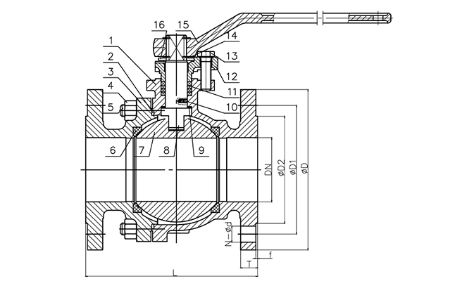
名稱 | 1-閥體 | 7-球體 | 6-閥座 | 10-防靜電裝置 |
材質及說明 | WCB | 304 | PTFE | 304 |
DN | NPS | L | ΦD | ΦD1 | ΦD2 | N-Φd |
15 | 1/2'' | 130 | 95 | 65 | 45 | 4-14 |
20 | 3/4'' | 140 | 105 | 75 | 58 | 4-14 |
25 | 1'' | 150 | 115 | 85 | 68 | 4-14 |
32 | 1 1/4'' | 165 | 140 | 100 | 78 | 4-18 |
40 | 1 1/2'' | 180 | 150 | 110 | 88 | 4-18 |
50 | 2'' | 200 | 165 | 125 | 100 | 4-18 |
65 | 2 1/2'' | 220 | 185 | 145 | 122 | 4-18 |
80 | 3'' | 250 | 200 | 160 | 138 | 8-18 |
100 | 4'' | 280 | 220 | 180 | 158 | 8-18 |
125 | 5'' | 320 | 250 | 210 | 188 | 8-18 |
150 | 6'' | 360 | 285 | 240 | 212 | 8-22 |
200 | 8'' | 400 | 340 | 295 | 268 | 12-22 |
